Menu działu
Oferta / Górnictwo
Dzwon jednouderzeniowy KBA-013

![]() |
KBA-013.. I M2 II 2G Ex d I/IIB T6 KDB 05ATEX 428X |
Charakterystyka :
![]()
Dzwony jednouderzeniowe przeznaczone są do nadawania sygnałów akustycznych ostrzegawczych w pomieszczeniach zagrożonych wybuchem, miejscach narażonych na uszkodzenia mechaniczne lub niezabezpieczonych przed wpływami atmosferycznymi.
Odmiany dzwonów jednouderzeniowych typu KBA-013.. posiadają zasilanie tylko niskonapięciowe o napięciu do 230V; 50 Hz lub do 220V DC.
Zgodność z normami:
![]()
Dzwony jednouderzeniowe spełniają wymagania norm zharmonizowanych z Dyrektywą Unii Europejskiej 94/9/WE:
* PN-EN 60079-0:2009
* PN-EN 60079-1:2010
* PN-EN 13463-1:2010
Warunki stosowania:
![]()
Dzwony jednouderzeniowe typu KBA-013.. przystosowane są do pracy w:
podziemnych i powierzchniowych zakładach górniczych, w których występuje zagrożenie metanowe i/lub zagrożenie pyłu węglowego oraz w strefach zagrożonych wybuchem występowaniem gazów i par podgrupy IIB.
Zapewniają wysoki poziom zabezpieczenia przeciwwybuchowego zgodnie z oznaczeniem:
|
- wykonania zgodnie z Tablicą 2 |
I M2 |
i zgodnie z wymaganiem normy PN-EN 50014:2004 oznaczone cechą:
Exd I/IIBT6
Szczególne warunki stosowania w przestrzeniach zagrożonych wybuchem: Dzwony jednouderzeniowe typu KBA-013.. oznaczone znakiem: ExdI/IIBT6 mogą być stosowane w polach metanowych zakładów górniczych, w wyrobiskach zaliczanych do stopnia "a", "b" i "c" niebezpieczeństwa wybuchu metanu oraz klasy "A" lub "B" zagrożenia wybuchu pyłu węglowego oraz mogą być stosowane w pomieszczeniach i przestrzeniach zewnętrznych zaliczanych do stref 1 i 2 zagrożenia wybuchem gazów i par cieczy z powietrzem zaliczanych do podgrupy II, klasy temperaturowej T6.
Dane techniczne:
![]()
| Napięcie zasilania: | od 10V do 220V DC od 10V do 230V AC |
| Prąd: | od 0,10A do 1,05A DC od 0,20A do 1,50A AC |
| Zaciski do przyłączania przewodów : | do 2,5 mm2 |
| Poziom głośności: | > 90 dB |
| Stopień ochrony: | IP54 |
| Temperatura otoczenia: | -20°C do +40°C |
| Wilgotność względna: | do 95% |
| Pozycja pracy : | pionowa (czaszą w dół) |
| Zakres średnic wprowadzanego kabla: | Tablica 1 |
| Masa urządzenia: | ~22 kg |
Zakres średnic wprowadzanego kabla:
![]()
Tablica 1
|
Wpust kablowy KVC-02 |
|
|
Średnica otworu Φ [mm] |
Zakres średnic wprowadzanego kabla Φ [mm] |
|---|---|
|
8 |
6 ÷ 8 |
|
12 |
10 ÷ 12 |
Wykonania:
![]()
Odmiany wykonań dzwonów jednouderzeniowych przedstawiono w Tablicy 2.
Tablica 2
|
Typ dzwonu jednouderzeniowego |
Napięcie znamionowe [V] |
Prąd znamionowy [A] |
Rodzaj prądu |
Oznaczenie cewki |
Oznaczenie |
|||||
|---|---|---|---|---|---|---|---|---|---|---|
|
KBA-01312 |
10 |
~ 0,90 |
DC |
KBW-1101 |
|
|||||
|
KBA-01313 |
12 |
~ 0,50 |
KBW-1102/1 |
|||||||
|
KBA-01314 |
24 |
~ 0,25 |
KBW-1102/1 |
|||||||
|
KBA-01315 |
60 |
~ 0,16 |
KBW-1107 |
|||||||
|
KBA-01316 |
42 |
~ 0,25 |
KBW-1105 |
|||||||
|
KBA-01318 |
110 |
~ 0,09 |
KBW-1103 |
|||||||
|
KBA-01319 |
220 |
~ 0,05 |
KBW-1103 |
|||||||
|
KBA-01323 |
24 |
~ 1,50 |
AC |
KBW-1104/1 |
||||||
|
KBA-01324 |
42 |
~ 0,65 |
KBW-1104/1 |
|||||||
|
KBA-01326 |
60 |
~ 0,50 |
KBW-1106/2 |
|||||||
|
KBA-01327 |
127 |
~ 0,26 |
KBW-1106/2 |
|||||||
|
KBA-01328 |
110 |
~ 0,25 |
KBW-1106/1 |
|||||||
|
KBA-01329 |
230 |
~ 0,20 |
KBW-1102 |
|||||||
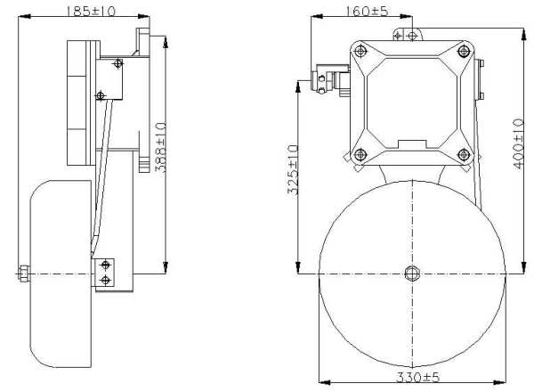
Wymiary:
![]()

Otwory mocujące.
![]()

Sposób zamówienia:
![]()
W zamówieniu należy podać wyróżnik oznaczenia zgodnie z tablicą wykonań.




